Electricity and Magnetic Effects Questions
Electricity and Magnetic Effects Questions is the unit consist of 2 chapter of science chapter wise year paper question from 2018 to 2024 of CBSE

follow us :Facebook
Follow us : Instagram
Read More :Reflection Refraction and Human Eye
Read More : Chemical Reaction and Acid Bases and salt Important Question
Read More : Life Process Important Questions
Electricity and Magnetic Effects Questions
Related to
Electricity Questions
- A apiece of wire of resistance R is cut into five equal parts These parts are then connected in parallel than equivalent resistance
- The electric bulb is rated 220v and 100 w when it is operated on 110 v than the power consumed
- The conducting wires of the same material and of equal length and equal diameter are first connected in series and then parallel in the circuit across the same potential difference find the ratio between two equivalent resistances .
- How is voltmeter connected in circuit ?
- A copper wire of diameter 0.5mm resistivity of 0.0000016 ohm -m what should be the length of wire to make the resistance of 10 ohm . ? When a 12 volt battery is connected to the unknown resistance give the current of 2.5mA find the value of resistance.
- If the battery of 9V is connected to .2 ohm, .3 ohm , .4ohm, .5 ohm and 12 ohm resistance connected in series find the current flowing through 12 ohm resistance?
- How many 176 ohm resistances are required to maintain the current of 5A through 220V. There three resistances of 6 ohm each how will you connect the resistance to give 9 ohm or 4 ohm equivalent resistance. How many lamps to be connected of 40w,220 v such that5A current flows through it.
- How many bulbs of 220V and 10W be connected in parallel to 220V mains to produce the current of 5A. A hot plate having the 2 resistance of24 ohm each can be used separately, /series / parallel is connected 220 mains find the current in all cases
- Compare the power in 2 ohm resistor each case a) 6V battery in series with 1 ohm , ohm resistors b) 4V battery in parallel with 12 ohm and 2ohm resistors
- What is the current flowing through the circuit when two bulb of 100w 220v and 60 w 220v connected parallel. What is the energy consumed if 250 w TV used fir 1 hr and toasters of 120 w used for 30minutes.
- Give reasons a) tungsten is used for filament in bulb .b) Electric iron ,bread toaster has conductors of alloy c) series arrangement of circuit is not used in domestic wiring d) relation of resistance and aera of cross-section of conductor e) copper /aluminum wires are used in electricity transmission. f) relation of power and potential difference. g) Electric bulb is filled with which inactive gases h) fuse is connected in live wire
- A charge of 15 coulomb flows in one minute find the current flowing . What is the cost @ Rs 3/unit when heater of 800w is operated for 6hrs/day for 3 days. Find the equivalent resistance when 10 ohm,15 ohm 5 ohm resistance are connected in parallel Draw the graph of ohm’s law and explain it.
- Nichrome wire of length of l of radius r has resistance of 10 ohm how is resistance changes when length of wire is made double or if radius is made doubled.
- Three resistors 5 ohm, 10 ohm , 15 ohm is connected in series with the battery of 30v draw the circuit with ammeter and voltmeter find the current passing in 1o ohm .
- The electric iron rated 840 w -360 w if connected to 220v find the resistance in minimum and maximum conditions.
- A bulb of200v ,100w calculate the resistance of bulb if 5 such bulbs are connected for 4 hrs find the unit consumed and cost @rs 4/unit. Calculate the aera of cross-section of wire of length 625mm ,resistance 4 ohm and resistivity of 0.00000048 ohm -meter.
- An electric lamp is connected to 4 ohm resistance in series such that current flowing is.25 A through battery of 6 v.
- Drive the expression of combination of resistance in series and parallel. Two lamps of 40 w 220v ,and 100w 220v connected in parallel calculate the resistance, current and energy of circuit.
- Two resistances of 10 ohm , 15 ohm is connected with 12 v battery find the minimum and maximum current flowing indifferent conditions .
- What is the difference between AC and DC circuit ,write their frequency. and graph.
- .Write three important features of domestic electric supply lines with reference voltage, wire colour , and combination of circuit , what is overloading and short-circuiting .

23.i)Define electric power .write the relation of V and R . The electric is design to work at 220 volt, it consumes 11 units of energy in 5 hrs than find i) power rating ii) Electric current drawn iii) Resistance (2024) ii) Drive the expression of resistivity and it’s SI unit,the resistance of 3 meter long wire is 60Ω if cross section aera is 4×10^-7 m² calculate resistivity , state how resistivity affected if length of wire is made double (2024) iv) use Ohm’s law to determine the potential difference across of 3Ω resistance as shown 
v)Arrange the resistance R1,R2,R3 in ascending order in the below given graph
s
Electricity and Magnetic Effects Questions
Related to
Magnetic Effects
where is the magnetic field near a long straight wire ? What is the phenomenon of electromagnetic induction?
- Name device used for producing electric-current is generator/motor/ galvanometer.
- What is the main difference between AC generator and DC generator.
- What happens about the current at the time of short circuiting. when does it take place. What are three sources of magnetic fields.?
- How does a solenoid behave like magnet? How the North and south pole is determined in it?
- Draw a label diagram of electric motor . Explain the principle of motor and it’s working and uses .
- A coil of insulated copper wire is connected to galvanometer what happens to when bar magnet is i) pushed into the coil ii) withdrawn from inside the coil iii) remain stationary in coil
- State the rule by which the direction of magnetic field is determine i) The magnetic field produced around a straight current carrying conductor ii)Force experienced by the current carrying straight conductor placed in magnetic field which is perpendicular to it. iii) Current induced in coil due to rotation in magnetic field.
- Two circular coils A and B are placed close to each d if the current in coil flows in A is changed will the be any effect on B.
- Explain the principles of generator with it’s working and diagram
- What is the angle between current and magnetic field for maximum current in straight current carrying conductor ? Explain Fleming right hand rule.
- List the properties of magnetic lines of forces.
- Draw magnetic field lines produced around a current carrying straight conductor passing through cardboard .How will the strength of magnetic field changes ,when the point where magnetic field is to be determined is moved away from the conductor. or when current flowing increases
- State Maxwell right hand thumb rule ? Magnetic field lines close to the axis of current carrying loop as we move away from the center of loop we observe the lines keep on diverging why it is so.
- Explain the effect of magnetic field produced at point in a current carrying circular coil when a)amount of current is increased b)distance form the coil increase c)increase the number of turns.
- Show that a current carrying conductor experiences the force when placed in magnetic field.
- Draw the magnetic field lines of bar magnet why two l magnet lines do not intersect each other
- The two coils P and Q are wounded over the same iron core Coil p is connected to a battery and key and coil Q is connected to galvanometer what happens) current in coil P started by closed by . ii) Current continues to flow in coil P iii) Current in coil P is stopped give reasons
(2024)- why do magnet field lines do not intersect each other ?(2024)ii) Draw the magnet field lines represented . State Fleming’s left rule explain the direction of force if the current flows through AB placed in uniform magnet field What will happen when electron enters the same field along the direction of AB

- important question 2025: Assertion (A) : No two magnetic field lines are found to cross each other.
Reason (R) : The compass needle cannot point towards two directions at the point of intersection of two magnetic field lines - (a) Consider two lamps A and B of rating 50 W; 220 V and25 W; 220 V respectively. Find the ratio of the resistances of the
two lamps (i.e. RA : RB). OR(b) Heat produced per second due to a current in a resistor of 4 ohm is 400 joules. Calculate the potential difference across the resistor. - (a) Define one volt potential difference between two points in an electric field.(b) Draw a schematic diagram of an electric circuit of a cell of 1·5 V,5 ohm and 10 ohm resistor and a plug key, all connected in series. Calculate the current drawn from the cell when the key is closed
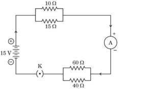
- Calculate the values of the following : (a) The total resistance of the circuit(b) The total current drawn from the source
(c) Potential difference across the parallel combination of 10 ohm and15 ohm
resistors - An electric bulb is connected to a power supply of 220 V. If the current
drawn by the bulb from the supply is 500 mA, the power of the bulb is :
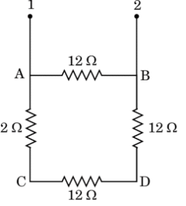
(A) 11 W (B) 110 W(C) 220 W (D) 1100 W - Four identical resistors of 12 ohm each are connected in series to form a
square ABCD as shown in the figure. The resistance of the network
between the two points 1 and 2 is : (A) 48 ohm (B) 36 ohm
(C) 9 ohm (D) 6 ohm - Assertion (A) : Nichrome is an alloy which is commonly used in electrical heating devices such as electric irons, toasters, etc. Reason (R) : The resistivity of nichrome is high and its resistance decreases with increase in temperature.
- An electric kettle is rated 750 W; 220 V. Can this kettle be used in a circuit which has a fuse of current rating 3 A ? Give reason for your answer.
- Three resistors of 2 ohm, 3 ohm and 6 ohm are connected in (i) series, and(ii) parallel. Draw the arrangements of the resistors and find the equivalent resistance of each arrangement
- The given figure shows the current passing through the straight conductor XY(i) Copy the diagram and draw the magnetic field lines when current flows from conductor X to Y.(ii) Name and state the rule used in determining the direction of
the magnetic field lines in the situation given above. - (iii) State Fleming’s left hand rule. Using this rule, determine
the direction of force applied on an electron entering a
uniform magnetic field as shown in the figure.
- (b) (i) Define the term solenoid. Draw the pattern of the magnetic field lines in and around a current carrying straight
solenoid. Mark on the pattern the (i) direction of current,(ii) direction of field lines near the ends of the solenoid, and(iii) region where the magnetic field is uniform.(ii) How would you make an electromagnet using a current carrying solenoid ? - A battery of 6 V is connected with a series combination of five resistors of 0∙1 ohm, 0∙2 ohm, 0∙3 ohm 0∙4 ohm and 0∙5 ohm. How
much current would flow through the 0∙3 ohm resistor ? Justify your answer. - Show an arrangement of three resistors, each of resistance10 ohm, so that the combination has a resistance of 15 ohm. Give
justification for your answer. - Based on the observations, four V – I graphs A, B, C and D as shown in figure were drawn. Study these graphs.(a) Which one of the graphs represents the series combination of R1and R2?
(b) Which one of these graphs represents the parallel combination of R1 and R2 ? - As shown in the diagram, an electric circuit consisting of an ammeter, a
voltmeter, 4 cells of 1∙5 V each, a plug key with a gap XY was set up.
Voltmeter and ammeter readings were recorded in the observation table
for four arrangements as given below :
Arrangement No. 1 – only resistor R1 in gap XY Arrangement No. 2 – only resistor R2
in gap XY Arrangement No. 3 – Resistors R1 and R2in series in gap XY
Arrangement No. 4 – Resistors R1 and R2
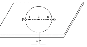
in parallel in gap XY - Make this diagram on your answer sheet and draw three magnetic
field lines, one each passing through the points 1 (near P), 2 (at the
centre of the loop) and 3 (near Q).(b) List two factors on which the intensity of the magnetic field
produced at the centre of the loop depends.
(c) Name the rule you will apply to determine the direction of
magnetic field produced due to a current carrying straight
conductor. - An electric kettle is rated 230 V; 1000 W. Calculate the resistance of its
heating element when in operation. - Assertion (A) : Magnetic field lines around a bar magnet never intersect each other.
Reason (R) : Magnetic field produced by a bar magnet is a quantity that has both magnitude and direction. - The strength of magnetic field produced inside a long straight current carrying solenoid does not depend upon :
(A) number of turns in the solenoid(B) direction of current flowing through the solenoid(C) material of the core filled inside the solenoid(D) radius of the coil of the solenoid - Which one of the following statements is not true about a bar magnet ?(A) It sets itself in north-south direction when suspended freely.(B) It has attractive power for iron filings(C) It produces magnetic field lines.(D) The direction of magnetic field lines inside a bar magnet is from its north pole to its south pole
- A wire of length ‘l’ is gradually stretched so that its length increases to 3l.If its original resistance is R, then its new resistance will be :
(A) 3R (B) 6R(C) 9R (D) 27R